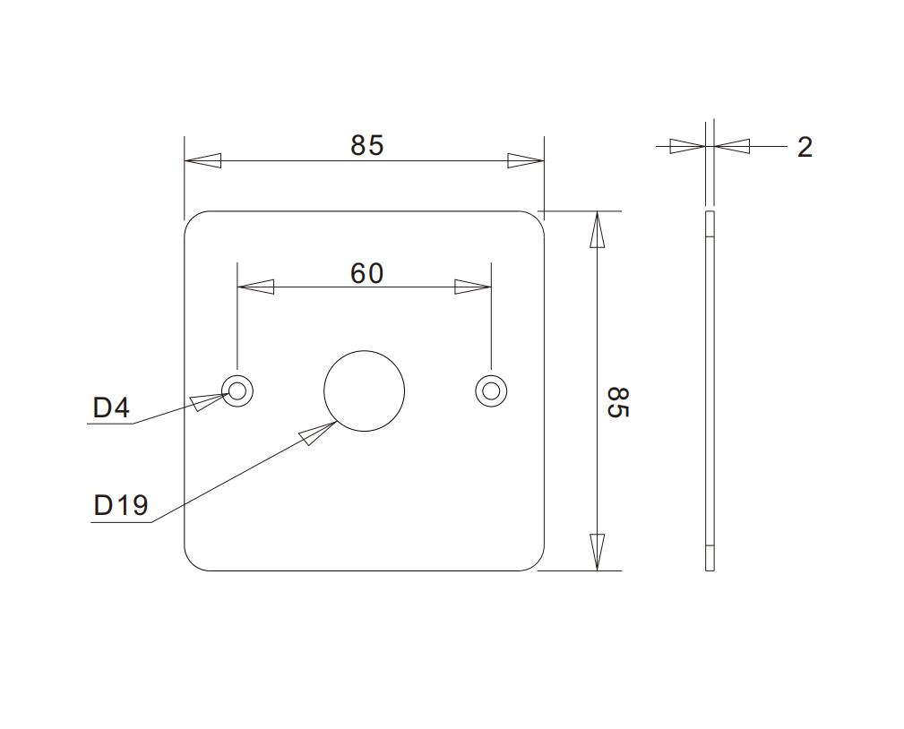
19mm
19mm stainless steel plate
Brushed finish
85x85x2mm
Symbol
OEM logo available
These beautiful brushed finish and good grinding the edge of plates (inner/outer sides), are made of Grade 304 stainless steel plate with the high strength and corrosion resistance
They are treated with cutting, stamping, forming, grinding burrs, polishing, CNC precise screw holes.
Choice of different text, symbol and OEM logo, suitable for different application.
